Hersteller / Typ
SANDVIK COROMANT ER Spannzangenfutter
1058-24097
Preis auf Anfrage

Kategorie / Typ
Maschinenzubehör etc. / Werkzeugaufnahme

Baujahr
2008
Lagerort
Offenbach
Ursprungsland
unbekannt
Lieferzeit
sofort

Maschine jetzt anfragen

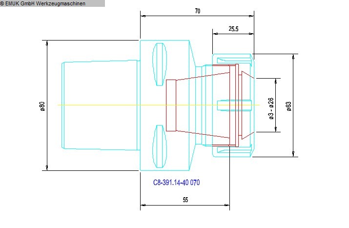
Coromant Capto auf ER Spannzangenfutter
ISO: C8-391.14-40 070

Produktdaten:

- Adapterschnittstelle Maschinenrichtung - Coromant Capto
(bolt and segment clamping) -size C8
- Planlaufeinstellung - ER collet (DIN6499-B) -ER40
- Code für Kühlschmierstoffzufuhr - 3: axial concentric and radial entry
- Kühlschmierstoffaustritt - 1: axial concentric on circle
- Kühlmitteldruck - 80 bar
- Funktionsdurchmesser - 40 mm
- Aufnahmedurchmesser - 80 mm
- Aufnahmedurchmesser, Werkstückseite - 41 mm
- Winkellage Aufnahme, werkstückseitig - 0 deg
- Funktionslänge - 55 mm
- Körperdurchmesser - 63 mm
- Länge Körperdurchmesser - 70 mm
- Drehzahl, max. (-81, -82: Maximale Drehzahl) - 14.000 1/min
- Werkzeugausführung - Stahl
- Masse (Gewicht) - 2,19 kg

Menge
1STK
Kontakt

Kontakt

Abbildung eines Telefons +49 (0) 6348 3164000 Abbildung eines Briefumschlag info@emuk.de

Loading…
Loading the web debug toolbar…
Attempt #